DAVID'S VINTAGE SNOWMOBILE PAGE.
RESTORING THE SPORT ONE PIECE AT A TIME.
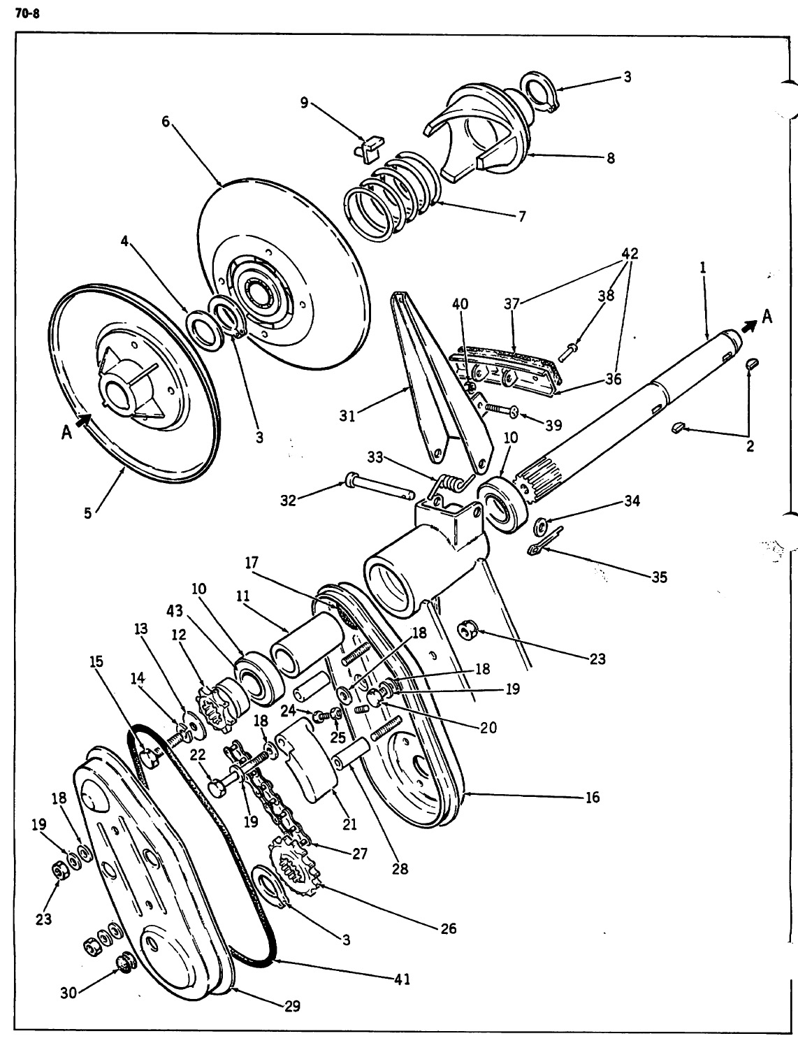
1970  ARLBERG AND ALOUETTE
PARTS BOOK
PROVIDED BY
Jeff / Selkirk, Manitoba

1970  ARLBERG AND ALOUETTE
PARTS BOOK
PROVIDED BY
Jeff / Selkirk, Manitoba

THANKS JEFF FOR THE GREAT MANUAL !


 
TO SEE A BROCHURE OF THIS BRAND OF VINTAGE SNOWMOBILE
ON MY SITE, GO TO THE BROCHURE PAGE.

 
PLEASE DONATE TO SUPPORT THIS SITE.
CLICK ON THE PAYPAL BUTTON.

THE COST OF RUNNING THIS SITE GOES UP EACH YEAR.
 A DONATION OF $ 5, $ 10, OR $ 20.00 GOES A LONG WAY.
ANY CONTRIBUTION IS GREATLY APPRECIATED.
THANKS -  DAVID

 

EXPO-SNO
IS A VINTAGE SNOWMOBILE SHOW &
VINTAGE SNOWMOBILE FLEA MARKET.

THE SHOW IS HELD EVERY YEAR IN THE FALL.

IT IS LOCATED IN THE PROVINCE OF QUEBEC, JUST NORTH OF MONTREAL.

 FOR THE DATE &  LOCATION AND ALL OF THE DETAILS ABOUT THE SHOW.
CLICK HERE




EXPO-SNO
EXPOSITION DE MOTONEIGES ANTIQUES ET CLASSIQUES
ET MÉGA MARCHÉ AUX PUCES
DE PIECES ET MOTONEIGES.
PRES DE MONTREAL, QUÉBEC, CHAQUE AUTOMNE.

NOUS ESPÉRONS AVOIR PLUS DE 100 MOTONEIGES
ET AUSSI UN AUTRE GRAND SUCCÈS AVEC NOTRE
MÉGA MARCHÉ AUX PUCES DE PIECES ET MOTONEIGES.

APPUYEZ ICI
POUR LA DATE, LOCATION & INFORMATION.


 

DAVID'S SLEDS

VINTAGE SNOWMOBILE, VINTAGE SNOWMOBILES
ANTIQUE SNOWMOBILE - OLD SNOWMOBILE
MOTONEIGE ANTIQUES

 
ABOUT MY SITE - ABOUT MY SITE - ABOUT MY SITE - ABOUT MY SITE


DAVID'S VINTAGE SNOWMOBILE PAGE